熱門搜索:
產品介紹
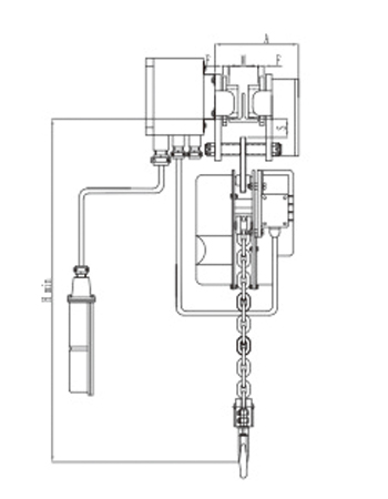
防爆不銹鋼環鏈電動葫蘆以國標304不銹鋼作為毛坯,外殼采用304厚鋼材料,其轉動齒輪經過高溫熱處理從而達到齒輪據有很高的耐磨性。在作業中產品相互摩擦撞擊不會產生機械火花,在易燃易爆場所不引爆氣體,有效防止火災事故。
防爆不銹鋼環鏈電動工作原理:
采用星行減速、盤式電機,運行平穩,剎車精準安全,適用于各種潔凈、易燃易爆作業空間。
防爆不銹鋼環鏈電動葫蘆是一-種使用簡易、攜帶方便的電動起重機械,自重較輕,便于攜帶、外形美觀,尺寸較小、經久耐用。
防爆不銹鋼電動葫蘆可與電動單軌小車配套組成電動起重運輸小車,防爆不銹鋼環鏈電動葫蘆可廣泛應用于石油、石化、油站、油庫、采氣、化工、軍工、電力、礦山、電子、鐵路、等潛在火患和爆炸的危險環境中,在作業中產品相互摩擦撞擊壞會產生機械火花,有效防止火災事故,確保國家財產和人身安全。也是機械制造和機械維修必不可少的專用工具。





